-
Koszyk jest pusty
-
x
Do bezpłatnej dostawy brakuje
-,--
Darmowa dostawa!
Suma Netto
0,00 zł
Suma Brutto
0,00 zł
Cena uwzględnia rabaty
0,00 zł
0
-
Koszyk jest pusty
-
x
Do bezpłatnej dostawy brakuje
-,--
Darmowa dostawa!
Suma Netto
0,00 zł
Suma Brutto
0,00 zł
Cena uwzględnia rabaty
-
[VUVG-L14-T32U-AT-G18-1R8L] {574227} Elektrozawór
696.12
| Ilość w opakowaniu | 1 szt. |
| Standarowo, wysyłka w ciągu | 3 dni |
| Cena przesyłki | 24.6 |
| Dostępność |
Dostępność wymaga potwierdzenia
|
| Strona główna producenta | |
| Kod cyfrowy | 574227 |
| GTIN | GTIN 4052568222352 |
Zamówienie telefoniczne: +48 882 650 149
| Zostaw telefon |
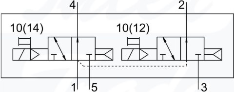
- Funkcja zaworu2x3/2 otwarty, monostabilny
- Sposób uruchamianiaelektrycznie
- Wielkość zaworu14 mm
- Normalny przepływ nominalny580 l/min ... 600 l/min
- Pneumatyczne przyłącze roboczeG1/8
- Napięcie robocze24V DC
- Ciśnienie robocze0.15 MPa ... 0.8 MPa
- Ciśnienie robocze1.5 bar ... 8 bar
- KonstrukcjaZawór tłoczkowo-suwakowy
- Sposób powrotusprężyna pneumatyczna
- CertyfikacjaRCM Markc UL us - Recognized (OL)
- Stopień ochronyIP65z gniazdem wtykowym
- Średnica nominalna4.6 mm
- Funkcja odpowietrzeniaz możliwością dławienia
- Sposób uszczelnieniamiękki
- Pozycja montażudowolny
- Pomocnicze sterowanie ręcznez blokadąbez blokadyzakryte
- Rodzaj sterowaniasterowanie pilotem
- Przyłącze zasilania powietrzem pilotówwew.
- Symbol00992902
- Pokrycieprzekrycie dodatnie
- Ciśnienie pilota0.15 MPa ... 0.8 MPa
- Ciśnienie pilota1.5 bar ... 8 bar
- Praca na podciśnieniuno
- Czas wyłączania25 ms
- Czas włączania9 ms
- Czas pracy ciągłej100%
- Maks. dodatni impuls testowy przy sygnale 0700 µs
- Maks. ujemny impuls testowy na 1 sygnale900 µs
- Parametry cewki24 V DC: 1,0 W
- Dopuszczalne wahania napięcia+/- 10 %
- Medium roboczeSprężone powietrze wg ISO 8573-1:2010 [7:4:4]
- Uwaga dotycząca medium roboczego/sterującegoMożliwa praca z powietrzem olejonym (po rozpoczęciu olejenia trzeba je kontynuować)
- Odporność na drganiaTest odporności podczas transportu przy drganiach o stopniu intensywności 2 wg FN 942017-4 i EN 60068-2-6
- Ograniczona temperatura otoczenia i mediów-5 - 50°Cbez redukcji prądu podtrzymania
- Odporność na wstrząsyTest odporności na wstrząsy o stopniu intensywności 2 wg FN 942017-5 i EN 60068-2-27
- Klasa ochrony przeciwkorozyjnej2 - średnie obciążenie korozyjne
- Zgodność z LABSVDMA24364-B1/B2-L
- Temperatura medium-5 °C ... 60 °C
- Temperatura otoczenia-5 °C ... 60 °C
- Waga produktu89 g
- Przyłącze elektryczneprzez elektryczną płytę przyłączeniową
- Typ mocowaniana listwie przyłączeniowejPrzy pomocy otworów przelotowychopcjonalnie:
- Przyłącze pneumatyczne 1G1/8
- Przyłącze pneumatyczne 2G1/8
- Przyłącze pneumatyczne 3G1/8
- Przyłącze pneumatyczne 4G1/8
- Przyłącze pneumatyczne 5G1/8
- Informacja o materiałachZgodność z dyrektywą RoHS
- Materiał uszczelnieńHNBRNBR
- Materiał obudowyStop aluminium do przeróbki plastycznej